ME 218C
Electrical
Description
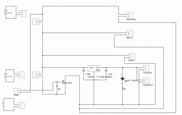
Watercraft
Power
Board
Description
The purpose
of this circuit board was to provide the following power outputs from two
rechargeable NiCad Battery packs, each supplying a nominal voltage of 7.2V:
|
Power
Level |
Destination |
|
14.4
Volts |
Water
Pump |
|
7.2 Volts |
Drive
Motors |
|
5 Volts |
Communications
Board, XBee Board |
Schematic

Design
Calculations
LM7805
This
component is rated to supply up to 1 Amp of current and will take an input
voltage of up to 20 Volts. A
conservative estimate for the amount of current being drawn by the 5 volt
components on the watercraft are:

These
numbers are very conservative (for instance the XBee PIC will be drawing less
than 5mA because it is on 3.3Volts power and the two LEDs will never be on at
the same time) and the amount of current drawn is still much less than the
maximum allowable value of 1amp.
IRLZ34N
This
component was selected because it has a continuous drain current up to 21
Amps. For this application the following
equations was used for calculating the drain current:

As can be
seen from this calculation the IRLZ34N is a suitable component for the amount
of current.
The other
consideration when using the component as it was intended was the voltage drop
across the component due to the RDS on value of 0.035 (with Vgs
of 10 V). Even with the maximum current
draw from above of 16Amps the Voltage drop across this transistor will be less
around 0.56Volts, which is not high enough for the components to register false
high values. If the value were around
1.75V then there would be a cause for concern.
10K
resistor
This is a
pull down resistor on the IRLZ34N. The
very low leakage currents of this component makes a 10K resistor suitable for
this application.
300 Ohm
Resistor
This is a
current limiting resistor on the LED.
The voltage drop across the LED was assumed to be around 2 volts leaving
3 volts to be dropped across the resistor.
The following calculations were made:

2 pin
headers
The headers
available in the TA area are rated up to 4amps.
From ME218B it was known that they could handle higher current values
without getting failure. It was assumed
they would be okay for this application, since the motors will rarely see stall
conditions when turning the propellers in the water.
Communications
Board
Description
This
circuit board houses the two motor drive PICs and acts as a junction point for
all the ancillary electrical components and circuit boards on the watercraft.
Schematic

Design
Calculations
243904
There were
many design considerations when selecting the 2N3904 transistor. In this application the transistor was being
used to toggle to the slave select lines on the two PIC microcontrollers. The signal from the XBee board was first put
through the LM399 comparator so the input was at 0 and 5 volts.
From the
specifications for this component the collector emitter voltage could be as
high as 40V while the emitter base voltage could be as high as 6 volts. In this application neither of these two
voltages would be much above 5 volts nominal.
The next
calculation was to consider using this component as a switch, which is
dependant on the ration of collector-emitter current to base-emitter
current. Ideally, when using this
component as a switch the ration would be between 10 and 20.
The
following equations were use used for finalizing on this component:

As can be
seen from the design calculations the ratio is a little lower than
desired. However, there were no problems
with the component in this application as verified with voltage measurements so
the resistance values were not changed.
The power dissipation of less than 1 milliwatt is well below the rated
value of 625 milliwatts.
LM324
The LM324
was used to source current for the display LEDs on the watercraft. The component can source up to 40mA of
current which is well below the current that was to be drawn by the LEDs. Not shown on the schematic diagram are the
300 Ohm resistors used to limit the current to the LEDs which would guarantee
they are drawing less than 40mA.
Headers
The headers
available in the TA area are rated up to 4amps.
Dip Sockets
The Dip
sockets house the PICs and the LM324.
They will not be seeing currents greater than 20mA which is well within
their rated specifications.
300 Ohm
Resistor
This is a
current limiting resistor on the iButton LED.
The voltage drop across the LED was assumed to be around 2 volts leaving
3 volts to be dropped across the resistor.
The following calculations were made:

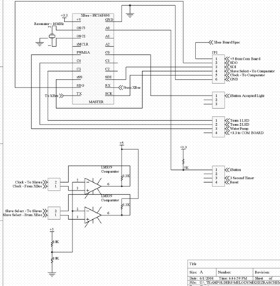
XBee
Additions
Description
The XBee
Additions are the additional components that were added to the XBee boards
which were issued at the beginning of the project.
Schematic

Design
Calculations
Headers
The headers
available in the TA area are rated up to 4amps.
5K Pull Up
Resistor for iButton
Specified
in the iButton documentation.
LM339
This
component was selected to act as a level shifter. The intention was to shift the 3.3V signal
from the XBee pic to 5 volts for the PICs on the Communications Board. The nice teaching assistant recommended that
we use this approach as the level shifter provided on the XBee boards were slow
and susceptible to noise.
The LM339
is the comparator of choice in the ME218C series so it was implemented into the
watercraft and its addition seemed to resolve the issues that were being seen
when using the XBee level shifters.
10K
Resistors for Voltage Divider into LM339
Voltage
divider to set comparator voltage value.
10K Ohm is within range of values that is typically used in this type of
application.
3.3K Pull
up resistors for output of LM339
Recommended
“rule of thumb” value for use as a pull up resistor on an open collector
component.
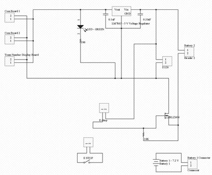
Helm
Power
Board
Description
The purpose
of this circuit board was to provide the following power outputs from one
rechargeable NiCad Battery pack, supplying a nominal voltage of 7.2V:
|
Power
Level |
Destination |
|
7.2 Volts |
E128
Microcontroller |
|
5 Volts |
Communication
Boards 1 and 2, Ship Number Display Board |
Schematic

Design
Calculations
LM7805
This
component is rated to supply up to 1 Amp of current and will take an input
voltage of up to 20 Volts. A
conservative estimate for the amount of current being drawn by the 5 volt
components on the helm are:

This is a
very conservative estimate because it assumes that all the LEDs will be on at
one time. Even so, the expected worse
case current draw is much less than the 1 amp the LM7805 is capable of
supplying.
IRLZ34N
For this
application the following equations was used for calculating the drain current:

As can be
seen from this calculation the IRLZ34N is a suitable component for the amount
of current (which is rated up to 21 amps)
Headers
The headers
available in the TA area are rated up to 4amps.
It was
required that a calculation of battery life was completed. The selected battery was a Tower Hobbies 1500
Ultra Sport with a nominal voltage of 7.2Volts and a capacity of 1500mAh. The requirement was that the battery be able
to last at least 8 hours.
For this
calculation the current draw from above may be used as a starting spot but it
is assumed that this maximum current draw will be done for very short durations
(5 minute games, conservative 6 games).
This means that the full 510mA will be drawn for only ˝ hour of the
eight total hours. For the rest of the
time the system will be in a much less taxing mode where:
This
reduces the current draw to around 150mA.
The following equations were used to verify the system would stay on for
eight hours:

Since there
was a considerable amount of assumptions made to come to this value the helm
was left on overnight to verify.
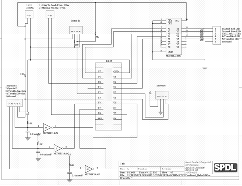
Communications
Board 1
Description
The purpose
of the Communications Board 1 was to provide input / output connections for the
following inputs and outputs that were associated with the 24 pin connector on
the E128:
Schematic

Design Calculations
Encoders –
Interrupt driven
The
encoders are a stand alone, two channel encoder unit that is power with 5
volts. Before integration with the
system was completed the unit was measured using and oscilloscope to ensure the
voltage level outputs were correct.
iButton
A 5K Ohm
pull up resistor was used on the data line per the iButton reading
specifications.
The iButton
LED, a purely cosmetic, no functional LED, was powered with 5 volts and a 300
Ohm current limiting resistor.
LED display
(non ship numbers)
The LEDs
were powered with an MM74HC244N buffer IC.
They were wired in series with a 300 Ohm current limiting resistor. See the design calculations / considerations
for the 244 in the Ship Number Display Board section.
Communication
with the XBee Pic for Okay to Send and Message Waiting
This was a
data line only and did not require any special considerations. The only issue was that the signal from the
XBee was a 3.3 Volt signal and the E128 was at 5 volts. From the specifications for the E128 it was
found that a voltage level over 3 would register as a high so it was thought
that the signal would not need to be level shifted. After some initial testing the assumptions
were proven true.
Throttle,
Special 1 and Special 2 Buttons
These
buttons were all push type buttons that needed some form of debouncing. Instead of trying to accomplish the
debouncing in software it was decided to do it with hardware. Using one 74HC14 inverter, a resistor and a
capacitor it was possible to debounce the signal to an acceptable level. The circuit used was the same switch
debouncing circuit that our group had used in the other two projects, as well
as the same circuit that was presented in class. Because of the previous experience, and the
trusted source of information, the circuit was used with no additional design
considerations.
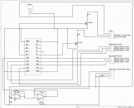
Communications
Board 2
Description
The purpose
of the Communications Board 2 was to provide input / output connections for the
following inputs and outputs that were associated with the 20 pin connector on
the E128:
Schematic

Design
Calculations
The only
component that had design considerations on this board was the tape sensor.
Tape Sensor
For the Tape Sensor input an LM324 was used to
amplify the signal for reading by the E128.
Per the instructions given last quarter a virtual ground of 2.5 volts
was created using on of the 4 op amps on the LM324 and a simple voltage divider
of two 10K Ohm resistors.
The gain
resistor for the detector half of the tape sensor and the current limiting
resistor for the emitter portion of the tape sensor were dialed in empirically
to achieve the proper performance from the water delivery button.
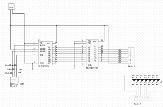
Ship
Number Display Board
Description
The Ship
Number Display Board was built to drive the 2 digit 7 segment LED displays for
showing the Craft Number currently linked to the helm. The seven segment LEDs require a considerable
amount of overhead to make them work so the circuitry was moved to its own
circuit board.
Schematic

Design
Calculations
The main
design considerations for this board were the interactions between
components.
MM74HC244N
The main
consideration for the MM74HC244N was making sure the unit could provide enough
current to drive the LEDs. The LEDs had
a current limiting resistor in series to keep the current for each LED at 10
milliamps. Each pin on the 244 can
source or sink up to 35 milliamps. In
the intended application they will actually be in a sinking configuration.
When
sourcing on seven different pins the power dissipation in the 244 becomes an
issue. The power dissipation is rated at
600mW. The following equation was used
to figure out the power:

SN74HC595N
The main
consideration with the shift registers is ensuring that they will be able to
turn to the LED buffers (the 244) on and off.
The ability to meet the requirement is dependant on the amount of
current that the shift register outputs can source and sink. From the spec sheet the 595 can source or
sink up to 35 milliamps per pin. From
the spec sheet for the 244 the maximum current on the input pin is +/- 1
microamp.